实验教学

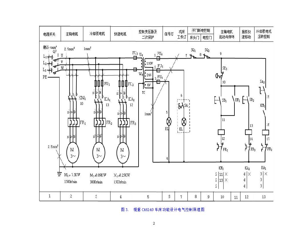
基于OBE教学理念的CA6140车床电气控制设计、安装、调试、故障维修图示页面